AC 61-23C - PILOT'S HANDBOOK OF AERONAUTICAL KNOWLEDGE


Previous Chapter
PARAGON HOME PAGE
Next Chapter



CHAPTER 2 - AIRPLANES AND ENGINES


INTRODUCTION

One of the most important activities in promoting safety in aviation is the airworthiness certification of airplanes. Each airplane certificated by the Federal Aviation Administration (FAA) has been manufactured under rigid specifications of design, materials, workmanship, construction, and performance. This certification process provides adequate assurance that the airplane will not fail from a structural standpoint if the airplane is properly maintained and flown within the limitations clearly specified. However, this may not be true if the airplane is abused, improperly maintained, or flown without regard to its limitations.

The goal of airplane designers and manufacturers is to obtain maximum efficiency, combined with adequate strength. Excessive strength requires additional weight which lowers the efficiency of the airplane by reducing its speed and the amount of useful load it can carry.

This chapter covers the airplane's structure, flight control systems, wing flaps, landing gear, engine operation, engine accessories, and associated engine instruments. Also included is material related to aircraft documents, aircraft maintenance, and inspection procedures.

AIRPLANE STRUCTURE

As stated in Chapter 1, Principles of Flight, the required structural strength is based on the intended use of the airplane. An airplane which is to be used for normal flying does not need the strength of an airplane which is intended to be used for acrobatic flight or other special purposes, some of which involve significant in-flight stresses.

Numerous wing designs have been developed in an effort to determine the best type for a specific purpose. Basically, all wings are similar to those used by the Wright brothers and other pioneers. Modifications have been made, however, to increase lifting capacity, reduce drag, increase structural strength, and generally improve flight characteristics. Wing designs are subjected to thorough analysis before being approved for use on certificated airplanes. Strength tests determine the effect of strains and stresses which might be encountered in flight.

Airplane strength is measured basically by the total load which the wings are capable of carrying without permanent damage to the wing structure. The load imposed upon the wings depends upon the type of flight in which the airplane is engaged. The wing must support not only the weight of the airplane, but the additional loads caused during certain flight maneuvers such as turns and pullouts from dives. Turbulent air also creates additional loads and these loads increase as the severity of the turbulence increases.

To permit the utmost efficiency of construction without sacrificing safety, the FAA has established several categories of airplanes with minimum strength requirements for each. Limitations of each airplane are available to the pilot through markings on instruments, placards on instrument panels, operating limitations attached to Airworthiness Certificates, Aircraft Flight Manual, or Pilot's Operating Handbook.

FLIGHT CONTROL SYSTEMS

The flight control systems in most general aviation airplanes consist of the cockpit controls, cables, pulleys, and linkages connected to the movable control surfaces outside the airplane.

There are three primary and two secondary flight control systems. The primary flight control systems consist of the elevator, aileron, and rudder, which are essential in controlling the aircraft. The secondary control systems consist of the trim tabs and wing flaps. The trim tabs enable the pilot to trim out control pressures, and the flaps enable the pilot to change the lifting characteristics of the wing and also to decrease the speed at which the wing stalls. All of the flight control systems, except the wing flaps, were discussed in Chapter 1, Principles of Flight. The flaps will be discussed at this point.

Wing Flaps

Wing flaps are a movable part of the wing, normally hinged to the inboard trailing edge of each wing. Flaps are extended or retracted by the pilot. Extending the flaps increases the wing camber, wing area (some types), and the angle of attack of the wing. This increases wing lift and also increases induced drag. The increased lift enables the pilot to make steeper approaches to a landing without an increase in airspeed. Their use at recommended settings also provides increased lift under certain takeoff conditions. When the flaps are no longer needed, they can be retracted.

Pilots are cautioned to operate the flaps within the airspeed limitations set forth for the particular airplane being flown. If the speed limitations are exceeded, the increased drag forces created by extending the flaps could result in structural damage to the airplane.

Figure 2-1 shows the four types of flaps in general use. The plain or simple flap is a portion of the trailing edge of the wing on a hinged pivot which allows the flap to be moved downward, thereby changing the chord line, angle of attack, and the camber of the wing. The split flap is a hinged portion of the bottom surface of the wing only, which when extended increases the angle of attack by changing the chord line. The Fowler flap, when extended, not only tilts downward but also slides rearward on tracks. This increases angle of attack, wing camber, and wing area, thereby providing added lift without significantly increasing drag. The slotted flap in addition to changing the wing's camber and chord line also lets a portion of high pressure air beneath the wing travel through a slot. This increases the velocity of air and increases lift.


Figure 2-1. -- Wing flaps.


With all four types of flaps, the practical effect of the flap is to permit a steeper angle of descent without an increase in airspeed. Extended flaps also permit a slower speed to be used on an approach and landing, thus reducing the distance of the landing roll.

Landing Gear

The landing gear system supports the airplane during the takeoff run, landing, taxiing, and when parked. These ground operations require that the landing gear be capable of steering, braking, and absorbing shock.

A steerable nose gear or tailwheel permits the airplane to be controlled by the pilot throughout all operations while on the ground. Individual brakes installed on each main wheel permit the pilot to use either brake individually as an aid to steering or, by applying both brakes simultaneously, the pilot can decelerate or stop the airplane. Hydraulic shock struts or leaf springs are installed in the various types of landing gear systems to absorb the impact of landings, or the shock of taxiing over rough ground.

There are two basic types of landing gear used on light airplanes. These are:

  • Conventional Landing Gear
  • Tricycle Landing Gear

Conventional Landing Gear

The conventional landing gear, which was used on most airplanes manufactured years ago, is still used on some airplanes designed for operations on rough fields. This landing gear system consists of two main wheels and a tailwheel. Shock absorption is usually provided on the main landing gear by inflated tires and shock absorbers while it is provided on the tailwheel by a spring assembly to which the tailwheel is bolted. The tailwheel is usually steerable by the rudder pedals through at least 15° on each side of a center point beyond which it becomes full swiveling.

Tricycle Landing Gear

The tricycle landing gear is used on most airplanes produced today. This gear has advantages over the conventional gear because it provides easier ground handling characteristics. The main landing gear is constructed similar to the main landing gear on the conventional system, but is located further rearward on the airplane. The nose gear is usually steerable by the rudder pedals.

Some airplanes are equipped with a retractable landing gear. Retracting the gear reduces the drag, and increases the airspeed without additional power.

The landing gear normally retracts into the wing or fuselage through an opening which is covered by doors after the gear is retracted. This provides for the unrestricted flow of air across the opening which houses the gear. The retraction or extension of the landing gear is accomplished either electrically or hydraulically by landing gear controls from within the cockpit. Indicators are provided in the cockpit to indicate whether the wheels are extended and locked, or retracted. In retractable landing gear installations, a system is provided for emergency gear extension in the event the normal landing gear mechanism fails to lower the gear.

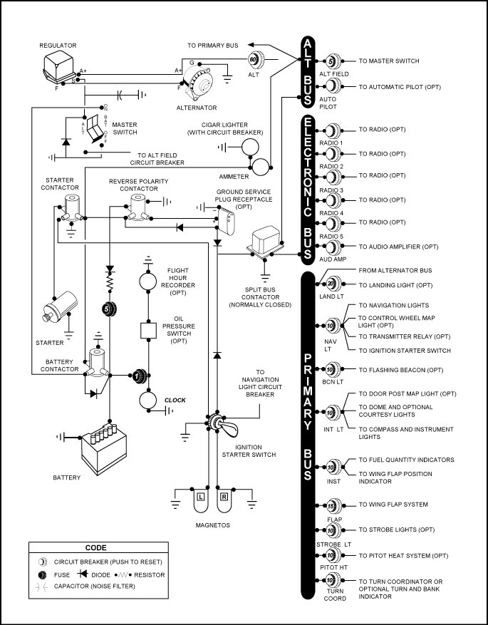
ELECTRICAL SYSTEM

Electrical energy is required to operate navigation and communication radios, lights, and other airplane equipment.

Many airplanes in the past were not equipped with an electrical system. They were equipped with a magneto system which supplied electrical energy to the engine ignition system only. Modern airplanes still use an independent magneto system, but in addition are equipped with an electrical system. The magneto system does not depend upon the airplane electrical system for operation. In other words, the airplane electrical system can be turned off in flight and the engine will continue to operate efficiently, utilizing the electrical energy provided by the magnetos.

Most airplanes are equipped with a 14- or 28-volt direct-current electrical system. The 28-volt system provides an electrical reserve capacity for more complex systems, including additional electrical energy for starting.

A basic airplane electrical system consists of the following components:

  • Alternator or generator
  • Battery
  • Master or battery switch
  • Alternator or generator switch
  • Bus bar, fuses, and circuit breakers
  • Voltage regulator
  • Ammeter
  • Starting motor
  • Associated electrical wiring
  • Accessories

Engine-driven alternators or generators supply electric current to the electrical system and also maintain a sufficient electrical charge in the battery which is used primarily for starting.

There are several basic differences between alternators and generators. Most generators will not produce a sufficient amount of electrical current at low engine revolutions per minute (RPM) to operate the entire electrical system. Therefore, during operations at low engine RPM's, the electrical needs must be drawn from the battery, which in a short time may be depleted.

An alternator, however, produces a sufficient amount of electrical current at slower engine speeds by first producing alternating current which is converted to direct current. Another advantage is that the electrical output of an alternator is more constant throughout the ranges of engine speeds. Alternators are also lighter in weight, less expensive to maintain, and less prone to become overloaded during conditions of heavy electrical loads.

Electrical energy stored in a battery provides a source of electricity for starting the engine and a limited supply of electricity for use in the event the alternator or generator fails.

Some airplanes are equipped with receptacles to which external auxiliary power units (APU) can be connected to provide electrical energy for starting. These are very useful, especially during cold weather starting. Care must be exercised in starting engines using an APU.

A master switch is installed on airplanes to provide a means for the pilot to turn the electrical system "on" and "off." Turning the master switch "on" provides electrical energy to all the electrical equipment circuits with the exception of the ignition system. Although additional electrical equipment may be found in some airplanes, the following lists the equipment most commonly found which uses the electrical system for its source of energy:

  • Position lights
  • Landing lights
  • Interior cabin lights
  • Radio equipment
  • Fuel gauges
  • Stall warning system
  • Anticollision lights
  • Taxi lights
  • Instrument lights
  • Turn indicator
  • Electric fuel pump
  • Pitot heat

Some airplanes are equipped with a battery switch which controls the electrical power to the airplane in a manner similar to the master switch. In addition, an alternator switch is installed which permits the pilot to exclude the alternator from the electrical system in the event of alternator failure. With the alternator switch "off," the entire electrical load is placed on the battery. Therefore, all nonessential electrical equipment should be turned off to conserve the energy stored in the battery.


Figure 2-2. -- Electrical system schematic.


A bus bar is used as a terminal in the airplane electrical system to connect the main electrical system to the equipment using electricity as a source of power. This simplifies the wiring system and provides a common point from which voltage can be distributed throughout the system. [Figure 2-2]

Fuses or circuit breakers are used in the electrical system to protect the circuits and equipment from electrical overload. Spare fuses of the proper amperage limit should be carried in the airplane to replace defective or blown fuses. Circuit breakers have the same function as a fuse but can be manually reset, rather than replaced, if an overload condition occurs in the electrical system. Placards at the fuse or circuit breaker location identify the circuit by name and show the amperage limit. [Figure 2-3]

An ammeter is an instrument used to monitor the performance of the airplane electrical system. Not all airplanes are equipped with an ammeter. Some are equipped with a light which, when lighted, indicates a discharge in the system as a generator/alternator malfunction.


Figure 2-3. -- Circuit breaker panel.


An ammeter shows if the alternator/generator is producing an adequate supply of electrical power to the system by measuring the amperes of electricity. This instrument also indicates whether the battery is receiving an electrical charge. The face of some ammeters is designed with a zero point in the upper center of the dial and a plus value to the right of center; a negative value is to the left. A vertical needle swings to the right or left, depending upon the performance of the electrical system. If the needle indicates a plus value, it means that the battery is being charged. After power is drawn from the battery for starting, the needle will indicate a noticeable plus charge value for a short period of time, and then stabilize to a lower plus charge value. [Figure 2-4]


Figure 2-4. -- Loadmeter and ammeter.


If the needle indicates a minus value, it means that the generator or alternator output is inadequate and energy is being drawn from the battery to supply the system. This could be caused by either a defective alternator/generator or by an overload in the system, or both. Full scale ammeter discharge or rapid fluctuation of the needle usually means generator/alternator malfunction. If this occurs, the pilot should cut the generator/alternator out of the system and conserve battery power by reducing the load on the electrical system.

The loadmeter type of ammeter shows the load being placed on the alternator. [Figure 2-4]

A voltage regulator controls the rate of charge to the battery by stabilizing the generator or alternator electrical output. The generator/alternator voltage output is usually slightly higher than the battery voltage. For example, a 12-volt battery would be fed by a generator/alternator system of approximately 14 volts. The difference in voltage keeps the battery charged.

ENGINE OPERATION

Knowledge of a few general principles of engine operation will help the pilot obtain increased dependability and efficiency from the engine and, in many instances, this knowledge will help in avoiding engine failure.

In this short chapter, it is impractical to discuss in detail the various types of engines and the finer points of operation which can be learned only through experience. Information from the manufacturer's instruction manual; familiarity with the operating limitations for the airplane engine; and specific advice from a flight instructor, combined with the information contained within this section, should provide adequate information to operate an airplane engine satisfactorily.


Figure 2-5. -- Basic parts of a reciprocating engine.


How an Engine Operates

Most light airplane engines are internal combustion of the reciprocating type which operate on the same principle as automobile engines. They are called reciprocating engines because certain parts move back and forth in contrast to a circular motion such as a turbine. Some smaller airplanes are equipped with turbine engines, but this type will not be discussed in this handbook. As shown in figure 2-5, the reciprocating engine consists of cylinders, pistons, connecting rods, and a crankshaft. One end of a connecting rod is attached to a piston and the other end to the crankshaft.

This connecting rod converts the straight-line motion of the piston to the rotary motion of the crankshaft, which turns the propeller. At the closed end of the cylinder, there are normally two spark plugs which ignite the fuel, and two openings over which valves open and close. One valve (the intake valve) when open admits the mixture of fuel and air, and the other (the exhaust valve) when open permits the burned gases to escape. For the engine to complete one cycle, the piston must complete four strokes. This requires two revolutions of the crankshaft. The four strokes are the intake, compression, power, and exhaust. The following describes one cycle of engine operation.


Figure 2-6. -- Four strokes of the piston produce: (A) fuel mixture (light blue) is drawn into cylinder by downward stroke, (B) mixture (darker blue) is compressed by upward stroke, (C) spark ignites mixture (red) forcing piston downward and producing power that turns propeller, (D) burned gases (light red) pushed out of cylinder by upward stroke.


Diagram A of figure 2-6 shows the piston moving away from the cylinder head. The intake valve is opened and the fuel/air mixture is drawn into the cylinder. This is the intake stroke.

Diagram B shows the piston returning to the top of the cylinder. Both valves are closed, and the fuel/air mixture is compressed. This is the compression stroke.

Diagram C shows that when the piston is approximately at the top of the cylinder head, a spark from the plugs ignites the mixture, which burns at a controlled rate. Expansion of the burning gas exerts pressure on the piston, forcing it downward. This is the power stroke.

Diagram D shows that just before the piston completes the power stroke the exhaust valve starts to open, and the burned gases are forced out as the piston returns to the top of the cylinder. This is the exhaust stroke. The cycle is then ready to begin again as shown in Diagram A.

From this description, notice that each cylinder of the engine delivers power only once in every four strokes of the piston or every two revolutions of the crankshaft. The momentum of the crankshaft carries the piston through the other three strokes although the diagram shows the action of only one cylinder. To increase power and gain smoothness of operation, other cylinders are added and the power strokes are timed to occur at successive intervals during the revolution of the crankshaft.

Aircraft engines are classified by the various ways the cylinders are arranged around the central crankcase. Most general aviation airplane engines are classed as the horizontally opposed, which have the cylinder banks arranged in two rows, directly opposite to each other and using the same crankshaft.

Larger and more powerful reciprocating engines are classed as radial engines. In these engines, the cylinders are placed in a circular pattern around the crankcase, which is placed in the center of the circle.

Other engine classifications are the in-line engine with the cylinders placed in one straight row, and the "vee" type with the cylinders placed in two rows forming a "V" similar to the V-8 engine used in automobiles.

Cooling System

The burning fuel within the cylinders produces intense heat, most of which is expelled through the exhaust. Much of the remaining heat, however, must be removed to prevent the engine from overheating. In practically all automobile engines, excess heat is carried away by a coolant circulating around the cylinder walls.

Most light airplane engines are air cooled. The cooling process is accomplished by cool air being forced into the engine compartment through openings in front of the engine cowl. This ram air is routed by baffles over fins attached to the engine cylinders, and other parts of the engine, where the air absorbs the engine heat. Expulsion of the hot air takes place through one or two openings at the rear bottom of the engine cowling.

Some airplanes are equipped with a device known as cowl flaps which are used to control engine temperatures during various flight operations. Cowl flaps are hinged covers which fit over the opening through which the hot air is expelled. By adjusting the cowl flap opening, the pilot can regulate the engine temperature during flight. If the engine temperature is low, the cowl flaps can be closed, thereby restricting the flow of expelled hot air and increasing engine temperature. If the engine temperature is high, the cowl flaps can be opened to permit a greater flow of air through the system, thereby decreasing the engine temperature. Usually during low airspeed and high power operations such as takeoffs and climbs, the cowl flaps are opened. During higher speed and lower power operations such as cruising flight and descents, the cowl flaps are closed.

Under normal operating conditions in airplanes not equipped with cowl flaps, the engine temperature can be controlled by changing the airspeed or the power output of the engine. High engine temperatures can be decreased by increasing the airspeed and/or reducing the power.

The oil temperature gauge indicates the temperature of the oil which is heated by the engine; therefore, this gauge gives an indirect and delayed indication of rising engine temperature. However, the oil temperature gauge should be used for determining engine temperature if this is the only means available.

Many airplanes are equipped with a cylinder-head temperature gauge. This is an additional instrument which will indicate a direct and immediate cylinder temperature change. This instrument is calibrated in degrees Celsius or Fahrenheit, and is usually color coded with a green arc to indicate the normal operating range. A red line on the instrument indicates maximum allowable cylinder head temperature.

To avoid excessive cylinder head temperatures, a pilot can open the cowl flaps, increase airspeed, enrich the mixture, or reduce power. Any of these procedures will aid in reducing the engine temperature.

When an airplane engine is operated on the ground, very little air flows past the cylinders (particularly if the engine is closely cowled) and overheating is likely to occur. Overheating may also occur during a prolonged climb, because the engine at this time is usually developing high power at relatively slow airspeed.

Operating the engine at higher than its designed temperature can cause loss of power, excessive oil consumption, and detonation. It will also lead to serious permanent damage, such as, scoring the cylinder walls, damaging the pistons and rings, and burning and warping the valves. To aid the pilot in avoiding excessive temperatures, engine temperature instruments in the cockpit should be monitored in flight.

Ignition System

The function of the ignition system is to provide a spark to ignite the fuel/air mixture in the cylinder. The magneto ignition system is used on most aircraft engines because it does not depend on an external source of energy such as the electrical system. Magnetos are self-contained engine driven units supplying ignition current. However, the magneto must be actuated by rotating the engine before current is supplied to the ignition system. The aircraft battery furnishes electrical power to operate the starter system; the starter system actuates the rotating element of the magneto; and the magneto then furnishes the spark to each cylinder to ignite the fuel/air mixture. After the engine starts, the starter system is disengaged, and the battery no longer has any part in the actual operation of the engine. If the battery (or master) switch is turned "OFF," the engine will continue to run. However, this should not be done since battery power is necessary at low engine RPM to operate other electrical equipment (radio, lights, etc.). When the generator or alternator is operating, the battery will be charging.

Most aircraft engines are equipped with a dual ignition system; that is, two magnetos to supply the electrical current to two spark plugs for each combustion chamber. One magneto system supplies the current to one set of plugs ; the second magneto system supplies the current to the other set of plugs. This is the reason that the ignition switch has four positions: "OFF," ; "LEFT," "RIGHT," and "BOTH." With the switch in the "L" or "R" position, only one magneto is supplying current and only one set of spark plugs is firing. With the switch in the " ;BOTH" position, both magnetos are supplying current and both sets of spark plugs are firing. The main advantages of the dual system are: increased safety, in case one magneto system fails, the engine may be operated on the other system until a landing can be made; and improved burning and combustion of the mixture, and consequently improved performance.

NOTE : To ensure that both ignition systems are operating properly, each system is checked during the engine runup prior to flight. This check should be accomplished in accordance with the manufacturer's recommendations in the Aircraft Flight Manual or Pilot's Operating Handbook.

It is important to turn the ignition switch to "BOTH" for flight and completely "OFF" when shutting down the engine after flight. Even with the electrical master switch "OFF" and the ignition switch on either "BOTH" or "LEFT" or "RIGHT" magnetos, the engine could fire if the propeller is moved from outside the airplane. Also, if the magneto switch ground wire is disconnected or broken, the magneto is " ;ON" even though the ignition switch is in the "OFF" position.

Fuel System

The function of the fuel system is to provide a means of storing fuel in the airplane and transferring this fuel to the airplane engine. Fuel systems are classified according to the method used to furnish fuel to the engine from the fuel tanks. The two classifications are the "gravity feed" and the "fuel pump system."

The gravity feed system utilizes the force of gravity to transfer the fuel from the tanks to the engine. This system can be used on high-wing airplanes if the fuel tanks are installed in the wings. This places the fuel tanks above the carburetor and the fuel is gravity fed through the system and into the carburetor.

If the design of the airplane is such that gravity cannot be used to transfer fuel, fuel pumps are installed. This is true on low-wing airplanes where the fuel tanks in the wings are located below the carburetor.

Two fuel pump systems are used on most airplanes. The main pump system is engine driven and an auxiliary electric driven pump is provided for use in the event the engine pump fails. The auxiliary pump, commonly know as the " boost pump," provides added reliability to the fuel system, and is also used as an aid in engine starting. The electric auxiliary pump is controlled by a switch in the cockpit.

Because of variation in fuel system operating procedures, the pilot should consult the Aircraft Flight Manual or Pilot's Operating Handbook for specific operating procedures.

Fuel Tanks, Selectors, Strainers, and Drains

Most airplanes are designed to use space in the wings to mount fuel tanks. All tanks have filler openings which are covered by a cap. This system also includes lines connecting to the engine, a fuel gauge, strainers, and vents which permit air to replace the fuel consumed during flight. Fuel overflow vents are provided to discharge fuel in the event the fuel expands because of high temperatures. Fuel tank sump drains are located at the bottom of the tanks from which water and other sediment can be drained from the tanks.

Fuel lines pass through a selector assembly located in the cockpit which provides a means for the pilot to turn the fuel "off," "on," ; or to select a particular tank from which to draw fuel. The fuel selector assembly may be a simple "on/off" valve, or a more complex arrangement which permits the pilot to select individual tanks or use all tanks at the same time.

Airplanes are equipped with fuel strainers, called sumps, located at the low point in the fuel lines between the fuel selector and the carburetor. The strainer filters the fuel and traps water and sediment in a container which can be drained to remove foreign matter from the fuel.

Fuel Primer

A manual fuel primer is installed in some airplanes to aid in starting the engine, particularly when the weather is cold. Activating the primer draws fuel from the tanks and vaporizes the fuel directly into the cylinders through small fuel lines. When engines are cold and do not generate sufficient heat to vaporize the fuel, the primer is used not only to start the engine, but to keep the engine running until sufficient engine heat is generated.

Fuel Pressure Gauge

If a fuel pump is installed in the fuel system, a fuel pressure gauge is also included. This gauge indicates the pressure in the fuel lines. The normal operating pressure can be found in the Airplane Flight Manual or on the gauge by color coding.

Induction, Carburetion, and Injection Systems

In reciprocating aircraft engines, the function of the induction system is to complete the process of taking in outside air, mixing it with fuel, and delivering this mixture to the cylinders. The system includes the air scoops and ducts, the carburetor or fuel injection system, the intake manifold, and (if installed) the turbo or superchargers.

Two types of induction systems are commonly used in light airplane engines: (1) carburetor system, which mixes the fuel and air in the carburetor before this mixture enters the intake manifold, and (2) fuel injection system in which the fuel and air are mixed just prior to entering each cylinder. The fuel injection system does not utilize a carburetor.

Carburetor System

The carburetor system uses one of two types of carburetor: (1) the float-type carburetor, which is generally installed in airplanes equipped with small horsepower engines, and (2) the pressure type, used in higher horsepower engines. The pressure type will not be discussed in this handbook, but many aspects of each are similar.

In the operation of the carburetor system, the outside air first flows through an air filter, usually located at an air intake in the front part of the engine cowling. This filtered air flows into the carburetor and through a venturi, a narrow throat in the carburetor. When the air flows through the venturi, a low pressure area is created, which forces the fuel to flow through a main fuel jet located at the throat and into the airstream where it is mixed with the flowing air. [Figure 2-7]


Figure 2-7. -- A float-type carburetor.


The fuel/air mixture is then drawn through the intake manifold and into the combustion chambers where it is ignited. The "float-type carburetor" acquires its name from a float which rests on fuel within the float chamber. A needle attached to the float opens and closes an opening in the fuel line. This meters the correct amount of fuel into the carburetor, depending upon the position of the float, which is controlled by the level of fuel in the float chamber. When the level of the fuel forces the float to rise, the needle closes the fuel opening and shuts off the fuel flow to the carburetor. It opens when the engine requires additional fuel.

Mixture Control

A "mixture control" in the cockpit is provided to change the fuel flow to the engine to compensate for varying air densities as the airplane changes altitude.

Carburetors are normally calibrated at sea level pressure to meter the correct amount of fuel with the mixture control in a "full rich" position. As altitude increases, air density decreases. This means that a given volume of air does not weigh as much at higher altitudes because it does not contain as many air molecules. As altitude increases, the weight of air decreases, even though the volume of air entering the carburetor remains the same. To compensate for this difference, the mixture control is used to adjust the ratio of fuel-to-air mixture entering the combustion chamber. This also regulates fuel consumption.

If the fuel/air mixture is too rich, i.e., too much fuel in terms of the weight of air, excessive fuel consumption, rough engine operation, and appreciable loss of power will occur. Because of excessive fuel, a cooling effect takes place which causes below normal temperatures in the combustion chambers. This cooling results in spark plug fouling. Conversely, operation with an excessively lean mixture, i.e., too little fuel in terms of the weight of air, will result in rough engine operation, detonation, overheating, and a loss of power.

To summarize, as the airplane climbs and the atmospheric pressure decreases, there is a corresponding decrease in the weight of air passing through the induction system. The volume of air, however, remains constant, and since it is the volume of airflow which determines the pressure drop at the throat of the venturi, the carburetor tends to meter the same amount of fuel to this thin air as to the dense air at sea level. Therefore, the mixture becomes richer as the airplane gains altitude. The mixture control prevents this by decreasing the rate of fuel discharge to compensate for the decrease in air density. However, the mixture must be enriched when descending from altitude.

Follow the manufacturer's recommendation for the particular airplane being flown to determine the proper leaning/enriching procedures.

Carburetor Icing

The vaporization of fuel, combined with the expansion of air as it flows through the carburetor, causes a sudden cooling of the mixture. The temperature of the air passing through the carburetor may drop significantly within a fraction of a second. Water vapor in the air is "squeezed out" by this cooling and, if the temperature in the carburetor reaches 0° C (32° F) or below, the moisture will be deposited as frost or ice inside the carburetor passages. Even a slight accumulation of this deposit will reduce power and may lead to complete engine failure, particularly when the throttle is partly or fully closed. [Figure 2-8]

Conditions Conducive to Carburetor Icing

On dry days, or when the temperature is well below freezing, the moisture in the air is not generally enough to cause trouble. But if the temperature is between -7° C (20° F) and 21° C (70° F), with visible moisture or high humidity, the pilot should be constantly on the alert for carburetor ice. During low or closed throttle settings, an engine is particularly susceptible to carburetor icing.


Figure 2-8. -- Formation of ice (white) in the fuel intake system may reduce or block fuel flow (red) to the engine.


Indications of Carburetor Icing

For airplanes with fixed-pitch propellers, the first indication of carburetor icing is loss of RPM. For airplanes with controllable-pitch (constant-speed) propellers, the first indication is usually a drop in manifold pressure. In both cases, a roughness in engine operation may develop later. There will be no reduction in RPM in airplanes with constant-speed propellers, since propeller pitch is automatically adjusted to compensate for the loss of power, thus maintaining constant RPM.

Use of Carburetor Heat

The carburetor heater is an anti-icing device that preheats the air before it reaches the carburetor. This preheating can be used to melt any ice or snow entering the intake, to melt ice that forms in the carburetor passages (provided the accumulation is not too great), and to keep the fuel mixture above the freezing temperature to prevent formation of carburetor ice.

When conditions are conducive to carburetor icing during flight, periodic checks should be made to detect its presence. If detected, full carburetor heat should be applied immediately, and it should be left in the "on" position until the pilot is certain that all the ice has been removed. If ice is present, applying partial heat or leaving heat on for an insufficient time might aggravate the situation.

When heat is first applied, there will be a drop in RPM in airplanes equipped with fixed-pitch propellers; there will be a drop in manifold pressure in airplanes equipped with controllable-pitch propellers. If no carburetor ice is present, there will be no further change in RPM or manifold pressure until the carburetor heat is turned off; then the RPM or manifold pressure will return to the original reading before heat was applied. If carburetor ice is present, there will normally be a rise in RPM or manifold pressure after the initial drop (often accompanied by intermittent engine roughness); and then, when the carburetor heat is turned "off," the RPM or manifold pressure will rise to a setting greater than that before application of the heat. The engine should also run more smoothly after the ice has been removed.

Whenever the throttle is closed during flight, the engine cools rapidly and vaporization of the fuel is less complete than if the engine is warm. Also, in this condition, the engine is more susceptible to carburetor icing. Therefore, if the pilot suspects carburetor-icing conditions and anticipates closed-throttle operation, the carburetor heat should be turned to " full-on" before closing the throttle, and left on during the closed-throttle operation. The heat will aid in vaporizing the fuel and preventing carburetor ice. Periodically, however, the throttle should be opened smoothly for a few seconds to keep the engine warm, otherwise the carburetor heater may not provide enough heat to prevent icing.

Use of carburetor heat tends to reduce the output of the engine and also to increase the operating temperature. Therefore, the heat should not be used when full power is required (as during takeoff) or during normal engine operation except to check for the presence or removal of carburetor ice. In extreme cases of carburetor icing, after the ice has been removed, it may be necessary to apply just enough carburetor heat to prevent further ice formation. However, this must be done with caution. Check the engine manufacturer's recommendations for the correct use of carburetor heat.

The carburetor heat should be checked during the engine runup. To properly perform this inspection, the manufacturer's recommendations should be followed.

Carburetor Air Temperature Gauge

Some airplanes are equipped with a carburetor air temperature gauge which is useful in detecting potential icing conditions. Usually, the face of the gauge is calibrated in degrees Celsius (C), with a yellow arc indicating the carburetor air temperatures at which icing may occur. This yellow arc ranges between -15° C and +5° C. If the air temperature and moisture content of the air are such that the carburetor icing is improbable, the engine can be operated with the indicator in the yellow range with no adverse effects. However, if the atmospheric conditions are conducive to carburetor icing, the indicator must be kept outside the yellow arc by application of carburetor heat.

Certain carburetor air temperature gauges have a red radial which indicates the maximum permissible carburetor inlet air temperature recommended by the engine manufacturer; also, a green arc which indicates the normal operating range.

Outside Air Temperature Gauge

Most airplanes are equipped with an outside air temperature gauge (OAT) calibrated in both degrees Celsius and Fahrenheit. It is used not only for obtaining the outside or ambient air temperature for calculating true airspeed, but also is useful in detecting potential icing conditions.

Fuel Injection System

Fuel injection systems have replaced carburetors on some engines. In this system, the fuel is normally injected either directly into the cylinders or just ahead of the intake valve. The fuel injection system is generally considered to be less susceptible to icing than the carburetor system. Impact icing of the air intake, however, is a possibility in either system. Impact icing occurs when ice forms on the exterior of the airplane and results in clogging openings such as the air intake for the injection system.

There are several types of fuel injection systems in use today. Although there are variations in design, the operational methods of each are generally similar. Most designs include an engine-driven fuel pump, a fuel/air control unit, fuel distributor, and discharge nozzles for each cylinder.

Some of the advantages of fuel injection are:

  • Reduction in evaporative icing.
  • Better fuel flow.
  • Faster throttle response.
  • Precise control of mixture.
  • Better fuel distribution.
  • Easier cold weather starts.

Disadvantages are usually associated with:

  • Difficulty in starting a hot engine.
  • Vapor locks during ground operations on hot days.
  • Problems associated with restarting an engine that quits because of fuel starvation.

The air intake for the fuel injection system is somewhat similar to that used in the carburetor system. The fuel injection system, however, is equipped with an alternate air source located within the engine cowling. This source is used if the external air source is obstructed by ice or by other matter. The alternate air source is usually operated automatically with a backup manual system that can be used if the automatic feature malfunctions.

Proper Fuel is Essential

There are several grades of aviation fuel available; therefore, care must be exercised to assure that the correct aviation grade is being used for the specific type of engine. It can be harmful to the engine and dangerous to the flight if the wrong kind of fuel is used. It is the pilot's responsibility to obtain the proper grade of fuel. The proper grade is stated in the Aircraft Flight Manual or Pilot's Operating Handbook, on placards in the cockpit, and next to the filler caps.

The proper fuel for an engine will burn smoothly from the spark plug outward, exerting a smooth pressure downward on the piston. Using low-grade fuel or too lean a mixture can cause detonation. Detonation or knock is a sudden explosion or shock, to a small area of the piston top, similar to striking it with a hammer. Detonation produces extreme heat which often progresses into preignition, causing structural stresses on parts of the engine. Therefore, to prevent detonation, the pilot should use the proper grade of fuel, maintain a sufficiently rich mixture, and maintain engine temperatures within the recommended limits. [Figure 2-9]


Figure 2-9. -- Normal combustion and explosive combustion.


Aviation gasolines are identified by octane or performance numbers (grades) which designate the antiknock value or knock resistance of the fuel mixture in the engine cylinder. The higher the grade of gasoline, the more pressure the fuel can withstand without detonating.

Airplane engines are designed to operate using a specific grade of fuel as recommended by the manufacturer. Lower numbered octane fuel is used in lower compression engines because these fuels ignite at a lower temperature. Higher octane fuels are used in higher compression engines because they must ignite at higher temperatures but not prematurely. If the proper grade of fuel is not available, it is possible, but not desirable, to use the next higher grade as a substitute.

Dyes are added to aviation fuels to assist in identification of the proper fuel grade.

GRADE
COLOR
80
RED
100
GREEN
100LL
BLUE
TURBINE
COLORLESS

It should be noted that if fuel grades are mixed together they will become clear or colorless.

Fuel Contamination

Water and dirt in fuel systems are dangerous; the pilot must either eliminate or prevent contamination. Of the accidents attributed to powerplant failure from fuel contamination, most have been traced to:

  • Inadequate preflight inspection by the pilot.
  • Servicing of aircraft with improperly filtered fuel from small tanks or drums.
  • Storing aircraft with partially filled fuel tanks.
  • Lack of proper maintenance.

To help alleviate these problems, fuel should be drained from the fuel strainer quick drain and from each fuel tank sump into a transparent container and be checked for dirt and water. Experiments have shown that when the fuel strainer is being drained, water in the tank may not appear until all the fuel has been drained from the lines leading to the tank. This indicates that the water remains in the tank and is not forcing the fuel out of the fuel lines leading to the fuel strainer. Therefore, drain enough fuel from the fuel strainer to be certain that fuel is being drained from the tank. The amount will depend on the length of fuel line from the tank to the drain. If water is found in the first sample, drain further samples until no trace appears.

Experiments have also shown that water will still remain in the fuel tanks after the drainage from the fuel strainer had ceased to show any trace of water. This residual water can be removed only by draining the fuel tank sump drains.

The pilot should be able to identify suspended water droplets in the fuel from a cloudy appearance of the fuel; or the clear separation of water from the colored fuel which occurs after the water has settled to the bottom of the tank. Water is the principal contaminant of fuel, and to increase flight safety, the fuel sumps should be drained during preflight.

In addition to the above measures, the following should be considered. The fuel tanks should be filled after each flight, or at least after the last flight of the day. This will prevent moisture condensation within the tank since no air space will be left. If the pilot chooses to refuel with only the amount that can be carried on the next flight -- perhaps a day later -- there is an added risk of fuel contamination by moisture condensation within the tank. Each additional day may add to the amount of moisture condensation within the tank or tanks.

Another preventive measure the pilot can take is to avoid refueling from cans and drums. This practice introduces a major likelihood of fuel contamination.

As has been pointed out, the practice of using a funnel and chamois skin when refueling from cans or drums is hazardous under any condition, and should be discouraged. It is recognized, of course, that in remote areas or in emergency situations, there may be no alternative to refueling from sources with inadequate anticontamination systems, and a chamois skin and funnel may be the only possible means of filtering fuel.

In addition, it should be clearly understood that the use of a chamois will not always assure decontaminated fuel. Worn out chamois will not filter water; neither will a new, clean chamois that is already water-wet or damp. Most imitation chamois skins will not filter water. There are many filters available that are more effective than the old chamois and funnel system.

Refueling Procedures

Static electricity, formed by the friction of air passing over the surfaces of an airplane in flight and by the flow of fuel through the hose and nozzle, creates a fire hazard during refueling. To guard against the possibility of a spark igniting fuel fumes, a ground wire should be attached to the aircraft before the cap is removed from the tank. The refueling nozzle should be grounded to the aircraft before refueling is begun and throughout the refueling process. The fuel truck should also be grounded to the aircraft and the ground.

If fueling from drums or cans is necessary, proper bonding and grounding connections are extremely important, since there is an ever present danger of static discharge and fuel vapor explosion. Nylon, dacron, or wool clothing are especially prone to accumulate and discharge static electricity from the person to the funnel or nozzle. Drums should be placed near grounding posts and the following sequence of connections observed:

  • Drum to ground.
  • Ground to aircraft.
  • Drum to aircraft.
  • Nozzle to aircraft before the aircraft tank cover is opened.
  • When disconnecting, reverse the order.

The passage of fuel through a chamois increases the charge of static electricity and the danger of sparks. The aircraft must be properly grounded and the nozzle, chamois filter, and funnel bonded to the aircraft. If a can is used, it should be connected to either the grounding post or the funnel. Under no circumstances should a plastic bucket or similar nonconductive container be used in this operation.

Oil System

Proper lubrication of the engine is essential to the extension of engine life and prevention of excessive maintenance.

The oil system provides a means of storing and circulating oil throughout the internal components of a reciprocating engine. Lubricating oil serves two purposes: (1) it furnishes a coating of oil over the surfaces of the moving parts, preventing direct metal-to-metal contact and the generation of heat, and (2) it absorbs and dissipates, through the oil cooling system, part of the engine heat produced by the internal combustion process.

Usually the engine oil is stored in a sump at the bottom of the engine crankcase. An opening to the oil sump is provided through which oil can be added and a dipstick is provided to measure the oil level in the sump.

A pump forces oil from the sump to the various parts of the engine that require lubrication. The oil then drains back to the sump for recirculation.

Each engine is equipped with an oil pressure gauge and an oil temperature gauge which are monitored to determine that the oil system is functioning properly.

Oil pressure gauges indicate pounds of pressure per square inch (PSI), and are color coded with a green arc to indicate the normal operating range. Also, at each end of the arc, some gauges have a red line to indicate high oil pressure, and another red line to indicate low oil pressure.

The oil pressure indication varies with the temperature of the oil. If the oil temperature is cold, the pressure will be higher than if the oil is hot.

A loss of oil pressure is usually followed by engine failure. If this occurs while on the ground, the pilot must shut the engine down immediately; if in the air, land at a suitable emergency landing site.

The oil temperature gauge is calibrated in either Celsius or Fahrenheit and color coded in green to indicate the normal temperature operating range.

It is important that the pilot check the oil level before each flight. Starting a flight with an insufficient oil supply can lead to serious consequences. The airplane engine will burn off a certain amount of oil during operation, and beginning a flight when the oil level is low will usually result in an insufficient supply of oil before the flight terminates.

There are many different types of oil manufactured for aviation use. The engine manufacturer's recommendation should be followed to determine the type and weight of oil to use. This information can be found in the Aircraft Flight Manual or Pilot's Operating Handbook, or on placards on or near the oil filler cap.

PROPELLER

A detailed discussion of the propeller is quite complex and beyond the intended scope of this handbook. However, the following material is offered as an introduction to the function of the propeller.

A propeller is a rotating airfoil, and is subject to induced drag, stalls, and other aerodynamic principles that apply to any airfoil. It provides the necessary thrust to pull, or in some cases push, the airplane through the air. This is accomplished by using engine power to rotate the propeller which in turn generates thrust in much the same way as a wing produces lift. The propeller has an angle of attack which is the angle between the chord line of the propeller's airfoil and its relative wind (airflow opposite to the motion of the blade).

A propeller blade is twisted. The blade angle changes from the hub to the tip with the greatest angle of incidence, or highest pitch, at the hub and the smallest at the tip. [Figure 2-10]


Figure 2-10. -- Changes in propeller blade angle from hub to tip.


The reason for the twist is to produce uniform lift from the hub to the tip. As the blade rotates, there is a difference in the actual speed of the various portions of the blade. The tip of the blade travels faster than that part near the hub because the tip travels a greater distance than the hub in the same length of time. Changing the angle of incidence (pitch) from the hub to the tip to correspond with the speed produces uniform lift throughout the length of the blade. If the propeller blade was designed with the same angle of incidence throughout its entire length, it would be extremely inefficient because as airspeed increases in flight, the portion near the hub would have a negative angle of attack while the blade tip would be stalled. [Figure 2-11]


Figure 2-11. -- Relationship of travel distance and speed of various portions of propeller blade.


Geometric pitch is the distance in inches that the propeller would move forward in one revolution if it were rotated in a solid medium so as not to be affected by slippage as it is in the air. Effective pitch is the actual distance it moves forward through the air in one revolution. Propeller slip is the difference between the geometric pitch and effective pitch. Pitch is proportional to the blade angle which is the angle between the chord line of the blade and the propeller's plane of rotation. [Figure 2-12]


Figure 2-12. -- Effective and geometric propeller pitch.


Small airplanes are equipped with either one of two types of propellers. One is the fixed-pitch, and the other is the controllable-pitch or constant-speed propeller.

Fixed-Pitch Propeller

The pitch of this propeller is fixed by the manufacturer and cannot be changed by the pilot. There are two types of fixed-pitch propellers; the climb propeller and the cruise propeller. Whether the airplane has a climb or cruise propeller installed depends upon its intended use. The climb propeller has a lower pitch, therefore less drag. This results in the capability of higher RPM and more horsepower being developed by the engine. This increases performance during takeoffs and climbs, but decreases performance during cruising flight.

The cruise propeller has a higher pitch, therefore more drag. This results in lower RPM and less horsepower capability. This decreases performance during takeoffs and climbs, but increases efficiency during cruising flight.

The propeller on a low-horsepower engine is usually mounted on a shaft which may be an extension of the engine crankshaft. In this case, the RPM of the propeller would be the same as the engine RPM.

On higher horsepower engines, the propeller is mounted on a shaft geared to the engine crankshaft. In this type, the RPM of the propeller is different than that of the engine.

If the propeller is a fixed-pitch and the speed of the engine and propeller is the same, a tachometer is the only indicator of engine power.

A tachometer is calibrated in hundreds of RPM, and gives a direct indication of the engine and propeller RPM. The instrument is color coded with a green arc denoting the normal operating range and a red line denoting the maximum continuous operating RPM. Some tachometers have additional marking or interrupted arcs. Therefore, the manufacturer's recommendations should be used as a reference to clarify any misunderstanding of tachometer markings.

The revolutions per minute are regulated by the throttle which controls the fuel/air flow to the engine. At a given altitude, the higher the tachometer reading the higher the power output of the engine.

There is a condition under which the tachometer does not show correct power output of the engine. This occurs when operating altitude increases. For example, 2,300 RPM at 5,000 feet produce less horsepower than 2,300 RPM at sea level. The reason for this is that air density decreases as altitude increases. Power output depends on air density, therefore decreasing the density decreases the power output of the engine. As altitude changes, the position of the throttle must be changed to maintain the same RPM. As altitude is increased, the throttle must be opened further to indicate the same RPM as at a lower altitude.

Controllable-Pitch Propellers

The pitch on these propellers can be changed in flight; therefore, they are referred to as controllable-pitch propellers. These propeller systems vary from a simple two-position propeller to more complex automatic constant-speed propellers.

The number of pitch positions at which the propeller can be set may be limited, such as a two-position propeller with only high or low pitch available. Many other propellers, however, are variable pitch, and can be adjusted to any pitch angle between a minimum and maximum pitch setting.

An airplane equipped with a controllable-pitch propeller has two controls: (1) a throttle control and (2) a propeller control.

The throttle controls the power output of the engine which is registered on the manifold pressure gauge. The manifold pressure gauge is a simple barometer that measures the air pressure in the engine intake manifold in inches of mercury. It is color coded with a green arc indicating the normal operating range.

The propeller control regulates the engine RPM and in turn the propeller RPM. The RPM is registered on the tachometer. The pilot can set the throttle control and propeller control at any desired manifold pressure and RPM setting within the engine operating limitation.

Within a given power setting, when using a constant-speed propeller, the pilot can set the propeller control to a given RPM and the propeller governor will automatically change the pitch (blade angle) to counteract any tendency for the engine to vary from this RPM. For example, if manifold pressure or engine power is increased, the propeller governor automatically increases the pitch of the blade (more propeller drag) to maintain the same RPM.

A controllable-pitch propeller permits the pilot to select the blade angle that will result in the most efficient performance for a particular flight condition. A low blade angle or decreased pitch, reduces the propeller drag and allows more engine power for takeoffs. After airspeed is attained during cruising flight, the propeller blade is changed to a higher angle or increased pitch.

Consequently, the blade takes a larger bite of air at a lower power setting, and therefore increases the efficiency of the flight. This process is similar to shifting gears in an automobile from low gear to high gear.

For any given RPM there is a manifold pressure that should not be exceeded. If manifold pressure is excessive for a given RPM, the pressure within the cylinders could be exceeded, thus placing undue stress on them. If repeated too frequently, this stress could weaken the cylinder components and eventually cause engine failure.

The pilot can avoid conditions that would possibly overstress the cylinders by being constantly aware of the RPM, especially when increasing the manifold pressure. Pilots should conform to the manufacturer's recommendations for power settings of a particular engine so as to maintain the proper relationship between manifold pressure and RPM. Remember, the combination to avoid is a high throttle setting (manifold pressure indication) and a low RPM (tachometer indication).

When both manifold pressure and RPM need to be changed, the pilot can further help avoid engine overstress by making power adjustments in the proper order. When power settings are being decreased, reduce manifold pressure before RPM. When power settings are being increased, reverse the order—increase RPM first, then manifold pressure. If RPM is reduced before manifold pressure, manifold pressure will automatically increase and possibly exceed the manufacturer's tolerances.

Summarizing: In an airplane equipped with a controllable-pitch propeller, the throttle controls the manifold pressure and the propeller control is used to regulate the RPM. Avoid high manifold pressure settings with low RPM. The preceding is a standard procedure for most situations, but with unsupercharged engines it is sometimes modified to take advantage of auxiliary fuel metering devices in the carburetor. These devices function at full throttle settings, providing additional fuel flow. This additional fuel helps cool the engine during takeoffs and full power climbs where engine overheating may be a problem. In such instances, a small reduction in RPM is possible without overstressing the engine, even though the throttle is in the full-power position. If in doubt, the manufacturer's recommendations should be followed.

S TARTING THE ENGINE

Before starting the engine, the airplane should be in an area where the propeller will not stir up gravel or dust that could cause damage to the propeller or property. Rules of safety and courtesy should be strictly observed to avoid personal injury or annoyance. The wheels should be chocked and the brakes set to avoid hazards caused by unintentional movement.

Engines Equipped with a Starter

The pilot should be familiar with the manufacturer's recommended starting procedures for the airplane being flown. This information can be found in the Airplane Flight Manual or Pilot's Operating Handbook, or other sources. There are not only different procedures applicable to starting engines equipped with conventional carburetors and those equipped with fuel injection systems, but also between different systems of either carburetion or fuel injection. The pilot should always ascertain that no one is near the propeller, call " clear prop," and wait for a possible response before engaging the propeller. Continuous cranking beyond 30 seconds' duration may damage the starter. In addition, the starter motor should be allowed to cool at least l to 2 minutes between cranking periods. If the engine refuses to start under normal circumstances after a reasonable number of attempts, the possibility of problems with ignition or fuel flow should be investigated.

As soon as the engine starts, check for unintentional movement and set power to the recommended warmup RPM. The oil pressure should then be checked to determine that the oil system is functioning properly. If the gauge does not indicate oil pressure within 30 seconds, the engine should be stopped and a check should be made to determine what is causing the lack of oil pressure. If oil is not circulating properly, the engine can be seriously damaged in a short time. During cold weather there will be a much slower response in oil pressure indications than during warmer weather, because colder temperatures cause the oil to congeal (thicken) to a greater extent.

The engine must reach normal operating temperature before it will run smoothly and dependably. Temperature is indicated by the cylinder-head temperature gauge. If the airplane is not equipped with this gauge, the oil temperature gauge must be used. Remember, in this case, that oil warms much slower in cold weather.

Before takeoff the pilot should perform all necessary checks for engine and airplane operation. Follow the manufacturer's recommendations when performing all checks. Always use a checklist; do not rely on memory.

Engines Not Equipped with a Starter

Because of the hazards involved in hand starting airplane engines, every precaution should be exercised. The safety measures previously mentioned should be adhered to, and it is extremely important that a competent pilot be at the controls in the cockpit. Also, the person turning the propeller should be thoroughly familiar with the technique. The following are additional suggestions to aid in increasing the safety factor while hand starting airplanes.

The person who turns the propeller is in charge, and calls out the commands, "gas on, switch off, throttle closed, brakes set." The pilot in the cockpit will check these items and repeat the phrase to assure that there is no misunderstanding. The person propping the airplane should push slightly on the airplane to assure that the brakes are set and are holding firmly. The switch and throttle must not be touched again until the person swinging the prop calls "contact." The pilot will repeat "contact" and then turn on the switch in that sequence -- never turn the switch on and then call "contact."

For the person swinging the prop, a few simple precautions will help avoid accidents.

When touching a propeller, always assume that the switch is on, even though the pilot may confirm the statement "switch off." The switches on many engine installations operate on the principle of short circuiting the current. If the switch is faulty, as sometimes happens, it can be in the "off" position and still permit the current to flow to the spark plugs.

Be sure to stand on firm ground. Slippery grass, mud, grease, or loose gravel could cause a slip or fall into or under the propeller.

Never allow any portion of the body to get into the propeller arc of rotation. This applies even though the engine is not being cranked; occasionally, a hot engine will backfire after shutdown when the propeller has almost stopped rotating.

Stand close enough to the propeller to be able to step away as it is pulled down. Standing too far away from the propeller requires leaning forward to reach it. This is an off-balance position and it is possible to fall into the blades as the engine starts. Stepping away after cranking is also a safeguard in the event the brakes do not hold when the engine starts.

When swinging the propeller, always move the blade downward by pushing with the palms of the hands. If the blade is moved upward, or gripped tightly with the fingers and backfiring occurs, it could cause broken fingers or the body to be pulled into the path of the propeller blades.

When removing the chocks from in front of the wheels, it should be remembered that the propeller, when revolving, is almost invisible. There are cases on record where someone intending to remove the chocks walked directly into the propeller.

Unsupervised "hand propping" of an airplane should not be attempted by inexperienced persons. Regardless of the experience level, it should never be attempted by anyone without adhering to adequate safety measures. Uninformed or inexperienced persons or nonpilot passengers should never handle the throttle, brakes, or switches during starting procedures. The airplane should be securely chocked or tied down, and great care should be exercised in setting the throttle. It may be well to turn the fuel selector valve to the " off" position after properly priming the engine and prior to actually attempting the hand start. After it starts, the engine will usually run long enough with the fuel "off" to permit walking around the propeller and turning the fuel selector to the "on" position.

Idling the Engine During Flight

There could be potential problems created by excessive idling of the engine during flight, particularly for long periods of time such as prolonged descents.

Whenever the throttle is closed during flight, the engine cools rapidly and vaporization of fuel is less complete. The airflow through the carburetor system under such conditions may not be of sufficient volume to assure a uniform mixture of fuel and air. Consequently, the engine may cease to operate because the mixture is too lean or too rich. Suddenly opening or closing the throttle could aggravate this condition, and the engine may cough once or twice, sputter, and stop.

Three precautions should be taken to prevent the engine from stopping while idling. First, make sure that the ground idling speed is properly adjusted. Second, do not open or close the throttle abruptly. Third, keep the engine warm during glides by frequently opening the throttle for a few seconds.

E xhaust Gas Temperature Gauge

Many airplanes are equipped with an exhaust gas temperature (EGT) gauge. If properly used, this engine instrument can reduce fuel consumption by 10 percent because of its accuracy in indicating to the pilot the exact amount of fuel that should be metered to the engine.

An EGT gauge measures, in degrees Celsius or Fahrenheit, the temperature of the exhaust gases at the exhaust manifold. This temperature measurement varies with ratio of fuel to air entering the cylinders, and therefore can be used as a basis for regulating the fuel/air mixture. This is possible because this instrument is very sensitive to temperature changes.

Although the manufacturer's recommendation for leaning the mixture should be adhered to, the usual procedure for leaning the mixture on lower horsepower engines when an EGT is available is as follows:

The mixture is leaned slowly while observing the increase in exhaust gas temperature on the gauge. When the EGT reaches a peak, the mixture should be enriched until the EGT gauge indicates a decrease in temperature. The number of degrees drop is recommended by the engine manufacturer, usually approximately 25° to 75°. Engines equipped with carburetors will run rough when leaned to the peak EGT reading, but will run smooth after the mixture is enriched slightly.

A IRCRAFT DOCUMENTS, MAINTENANCE, AND INSPECTIONS

Aircraft Owner Responsibilities

The registered owner of an aircraft is responsible for certain items such as:

  • Having a current Airworthiness Certificate and Certificate of Aircraft Registration in the aircraft.
  • Maintaining the aircraft in an airworthy condition including compliance with all applicable Airworthiness Directives.
  • Assuring that maintenance is properly recorded.
  • Keeping abreast of current regulations concerning the operation and maintenance of the aircraft.
  • Notifying the FAA Civil Aviation Registry immediately of any change of permanent mailing address, or of the sale or export of the aircraft, or of the loss of U.S. citizenship.


Figure 2-13. -- AC Form 8050-3, Certificate of Aircraft Registration.


An aircraft must be inspected in accordance with an annual inspection program or with one of the inspection programs outlined in 14 CFR section 91.409, in order to maintain a current Airworthiness Certificate.

Certificate of Aircraft Registration

Before an aircraft can be legally flown, it must be registered with the FAA Civil Aviation Registry and have within it a Certificate of Aircraft Registration issued to the owner as evidence of the registration. [Figure 2-13]

The Certificate of Aircraft Registration will expire when:

  • The aircraft is registered under the laws of a foreign country.
  • The registration of the aircraft is canceled at the written request of the holder of the certificate.
  • The aircraft is totally destroyed or scrapped.
  • The ownership of the aircraft is transferred.
  • The holder of the certificate loses United States citizenship.
  • Thirty days have elapsed since the death of the holder of the certificate.

When the aircraft is destroyed, scrapped, or sold, the previous owner must notify the FAA by filling in the back of the Certificate of Aircraft Registration, and mailing it to the FAA Civil Aviation Registry.

A dealer's aircraft registration certificate is another form of registration certificate, but it is valid only for required flight tests by the manufacturer or in flights that are necessary for the sale of the aircraft by the manufacturer or a dealer. It must be removed by the dealer when the aircraft is sold.

The FAA does not issue any certificate of ownership or endorse any information with respect to ownership on a Certificate of Aircraft Registration.

NOTE: For any additional information concerning the Aircraft Registration Application or the Aircraft Bill of Sale, contact the nearest Flight Standards District Office (FSDO).

Airworthiness Certificate

An Airworthiness Certificate is issued by the FAA only after the aircraft has been inspected and it is found that it meets the requirements of Title 14 of the Code Federal Regulations (14 CFR) and is in a condition for safe operation. Under any circumstances, the aircraft must meet the requirements of the original type certificate. The certificate must be displayed in the aircraft so that it is legible to passengers or crew whenever the aircraft is operated. The Airworthiness Certificate may be transferred with the aircraft except when it is sold to a foreign purchaser.


Figure 2-14. -- FAA Form 8100-2, Standard Airworthiness Certificate.


The Standard Airworthiness Certificate, is issued for aircraft type certificated in the normal, utility, acrobatic, and transport categories or for manned free balloons. An explanation of each item in the certificate follows: [Figure 2-14]

Item 1. Nationality - The "N" indicates the aircraft is of United States registry. Registration Marks -- the number, in this case 12345, is the registration number assigned to the aircraft.

Item 2 - Indicates the make and model of the aircraft.

Item 3 - Indicates the serial number assigned to the aircraft, as noted on the aircraft data plate.

Item 4 - Indicates that the aircraft, in this case, must be operated in accordance with the limitations specified for the "NORMAL" category.

Item 5 - Indicates the aircraft has been found to conform to its type certificate and is considered in condition for safe operation at the time of inspection and issuance of the certificate. Any exemptions from the applicable airworthiness standards are briefly noted here and the exemption number given. The word " ;NONE" is entered if no exemption exists.

Item 6 - Indicates the Airworthiness Certificate is in effect indefinitely if the aircraft is maintained in accordance with 14 CFR parts 21, 43, and 91 and the aircraft is registered in the United States. Also included are the date the certificate was issued and the signature and office identification of the FAA representative.

The Special Airworthiness Certificate is issued for all aircraft certificated in other than the Standard classifications (Experimental, Restricted, Limited, and Provisional).

In purchasing an aircraft classed as other than Standard, it is suggested that the local FSDO be contacted for an explanation of the pertinent airworthiness requirements and the limitations of such a certificate.

In summary, the FAA initially determines that the aircraft is in a condition for safe operation and conforms to type design, then issues an Airworthiness Certificate. A Standard Airworthiness Certificate remains in effect as long as the aircraft receives the required maintenance and is properly registered in the United States. Flight safety relies in part on the condition of the aircraft, which may be determined on inspection by mechanics, approved repair stations, or manufacturers who meet specific requirements of 14 CFR part 43.

Aircraft Maintenance

Maintenance means the inspection, overhaul, and repair of aircraft, including the replacement of parts. A PROPERLY MAINTAINED AIRCRAFT IS A SAFE AIRCRAFT.

The purpose of maintenance is to ensure that the aircraft is kept to an acceptable standard of airworthiness throughout its operational life.

Although maintenance requirements will vary for different types of aircraft, experience shows that most aircraft will need some type of preventive maintenance every 25 hours of flying time or less, and minor maintenance at least every 100 hours. This is influenced by the kind of operation, climatic conditions, storage facilities, age, and construction of the aircraft. Most manufacturers supply service information which should be used in maintaining the aircraft.

Inspections

14 CFR part 91 places primary responsibility on the owner or operator for maintaining an aircraft in an airworthy condition. Certain inspections must be performed on the aircraft and the owner must maintain the airworthiness of the aircraft during the time between required inspections by having any unsafe defects corrected.

Title 14 of the Code of Federal Regulations (14 CFR) requires the inspection of all civil aircraft at specific intervals for the purpose of determining the overall condition. The interval depends generally upon the type of operations in which the aircraft is engaged. Some aircraft need to be inspected at least once each 12 calendar months, while inspection is required for others after each 100 hours of operation. In other instances, an aircraft may be inspected in accordance with an inspection system set up to provide for total inspection of the aircraft on the basis of time, time in service, number of system operations, or any combination of these.

Annual Inspection

A reciprocating-powered single-engine aircraft flown for pleasure is required to be inspected at least annually by a certificated airframe and powerplant mechanic holding an Inspection Authorization, or by a certificated repair station that is appropriately rated, or by the manufacturer of the aircraft. The aircraft may not be operated unless the annual inspection has been performed within the preceding 12 calendar months. A period of 12 calendar months extends from any day of any month to the last day of the same month the following year. However, an aircraft with the annual inspection overdue may be operated under a special flight permit for the purpose of flying the aircraft to a location where the annual inspection can be performed.

100-Hour Inspection

A reciprocating-powered single-engine aircraft used to carry passengers or for flight instruction for hire must be inspected within each 100 hours of time in service by a certificated airframe and powerplant mechanic, a certificated repair station that is appropriately rated, or the aircraft manufacturer. An annual inspection is acceptable as a 100-hour inspection, but the reverse is not true.

Other Inspection Programs

The annual and 100-hour inspection requirements do not apply to large airplanes, turbojet or turbo-propeller-powered multiengine airplanes, or to airplanes for which the owner or operator complies with the progressive inspection requirements. Details of these requirements may be determined by reference to 14 CFR parts 43 and 91 and by inquiry at a local FSDO.

Preflight Inspection

The preflight inspection of the airplane is one of the pilot's most important duties. A number of serious airplane accidents have been traced directly to poor preflight inspection practices. The preflight inspection should be a thorough and systematic means by which the pilot determines that the airplane is ready for safe flight.

Most Aircraft Flight Manuals or Pilot's Operating Handbooks contain a section devoted to a systematic method of performing a preflight inspection that should be used by the pilot for guidance.

Preventive Maintenance

Simple or minor preservation operations and the replacement of small standard parts, not involving complex assembly operations, are considered preventive maintenance. A certificated pilot may perform preventive maintenance on any aircraft, owned or operated by the pilot, that is not used in air carrier service. Typical preventive maintenance operations are contained in 14 CFR part 43 which also contains other rules to be followed in the maintenance of aircraft.

Repairs and Alterations

Except as noted under "Preventive Maintenance," all repairs and alterations are classed as either major or minor. Major repairs or alterations must be approved for return to service by an appropriately rated certificated repair station, an airframe and powerplant mechanic holding an Inspection Authorization, or a representative of the Administrator. Minor repairs and alterations may be approved for return to service by a certificated airframe and powerplant mechanic or an appropriately certificated repair station.

Deferred Repair

Within certain guidelines, the pilot in command may defer repairs to nonessential inoperative instruments, and/or equipment while continuing to operate an aircraft (refer to 14 CFR section 91.213).

If the determination is made, for the aircraft without a minimum equipment list (MEL), that instruments or equipment can have repairs deferred, the operative instrument or item of equipment must be deactivated or removed.

When inoperative instruments or items of equipment are removed, a certificated and appropriately rated maintenance person shall perform that task. The cockpit control of the affected device shall be placarded and the discrepancy recorded in the aircraft's maintenance records in accordance with 14 CFR section 43.9.

If instruments or items of equipment are deactivated and the deactivation involves maintenance, it must be accomplished and recorded in accordance with 14 CFR part 43. Deactivated instruments or equipment must be placarded " inoperative."

Special Flight Permits

A special flight permit is an authorization to operate an aircraft that may not currently meet applicable airworthiness requirements, but is safe for a specific flight. Before the permit is issued, an FAA inspector may personally inspect the aircraft or require it to be inspected by a certificated airframe and powerplant mechanic or repair station to determine its safety for the intended flight. The inspection must be recorded in the aircraft records.

The special flight permit is issued to allow the aircraft to be flown to a base where repairs, alterations, or maintenance can be performed; for delivering or exporting the aircraft; or for evacuating an aircraft from an area of impending danger. A special flight permit may be issued to allow the operation of an overweight aircraft for flight beyond its normal range over water or land areas where adequate landing facilities or fuel is not available.

If a special flight permit is needed, assistance and the necessary forms may be obtained from the local FSDO or Designated Airworthiness Representative (DAR).

Airworthiness Directives

A primary safety function of the FAA is to require correction of unsafe conditions found in an aircraft, aircraft engine, propeller, or appliance when such conditions exist and are likely to exist or develop in other products of the same design. The unsafe condition may exist because of a design defect, maintenance, or other causes. 14 CFR part 39, Airworthiness Directives (AD' ;s), defines the authority and responsibility of the Administrator for requiring the necessary corrective action. The AD's are the media used to notify aircraft owners and other interested persons of unsafe conditions and to prescribe the conditions under which the product may continue to be operated.

Airworthiness directives may be divided into two categories: (1) those of an emergency nature requiring immediate compliance upon receipt, and (2) those of a less urgent nature requiring compliance within a relatively longer period of time.

Airworthiness directives are regulatory and must be complied with, unless specific exemption is granted. It is the aircraft owner or operator's responsibility to assure compliance with all pertinent AD's. This includes those AD's that require recurrent or continuing action. For example, an AD may require a repetitive inspection each 50 hours of operation, meaning the particular inspection shall be accomplished and recorded every 50 hours of time in service.

14 CFR requires that a record be maintained that shows the current status of applicable AD's, including the method of compliance, and the signature and certificate number of the repair station or mechanic who performed the work. For ready reference, many aircraft owners have a chronological listing of the pertinent AD's in their logbooks.

The Summary of Airworthiness Directives contains all the valid AD's previously published. The Summary is divided into two areas. The small aircraft and rotorcraft books contain all AD's applicable to small aircraft, i.e., 12,500 pounds or less maximum certificated takeoff weight and AD's applicable to all helicopters. The large aircraft books contain all AD's applicable to large aircraft -- those over 12,500 pounds. The Summary of Airworthiness Directives is sold and distributed by the Superintendent of Documents for the FAA in Oklahoma City and is available in paper copy, microfiche, or electronic format. For further information on how to order AD's and the current price, contact:

U.S. Department of Transportation

Federal Aviation Administration

Airworthiness Programs Branch, AFS-610

P.O. Box 26460

Oklahoma City, OK 73125

Telephone Number: (405) 954-4103

Fax: (405) 954-4104



Previous Chapter
PARAGON HOME PAGE
Next Chapter